Search
Menu
About US
Products
Advantages
Menu
Provincial Inspection
Advanced Technology
Single Pump Design
Production Base
Energy
Projects
News
Contact US
中文
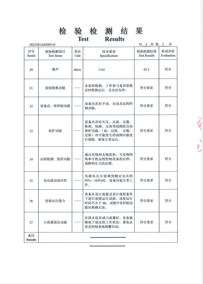
Integrated PUMPS Station Test Report
2022-09-05
来源: 原创
2801
prev_page:
Integrated PUMPS Station Test Report
next_page:
Submersible PUMPS Inspection Report